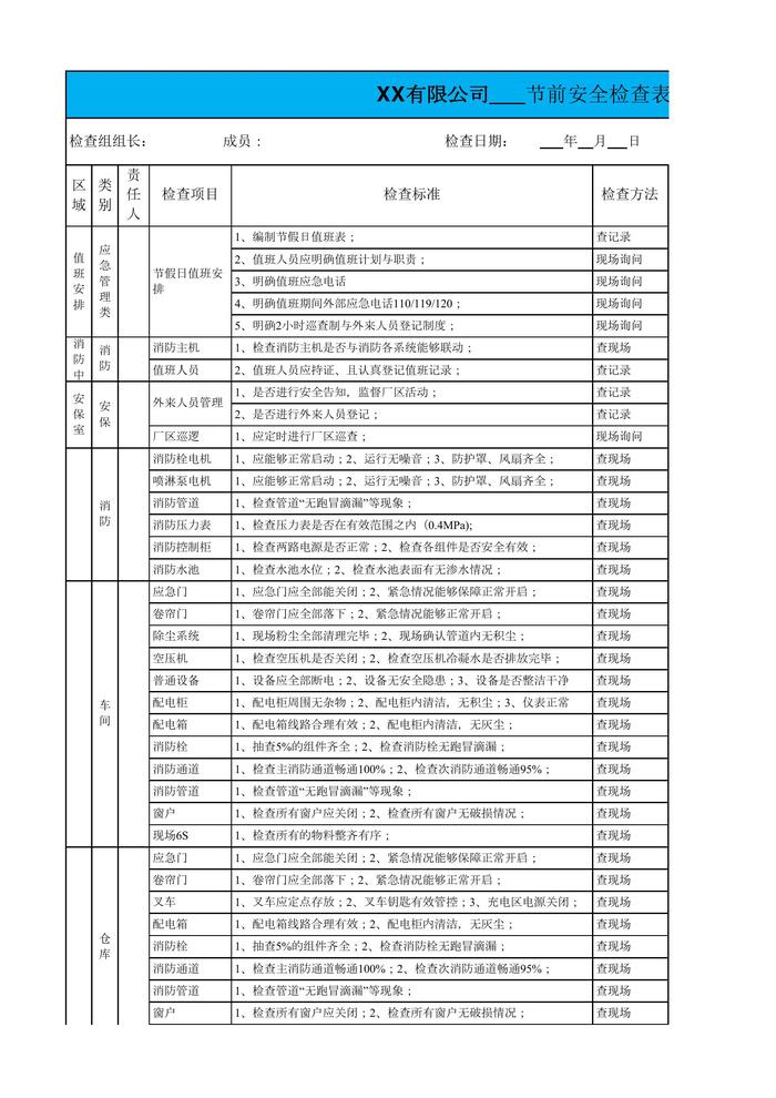
最新公司节前安全检查表
- HSE类别:
- 文件大小:0.02MB
- HSE编号:
- HSE状态:
- 更新时间:2022-03-31
- 下载次数:次
raybet雷电竞电竞app下载地址
简介
raybet雷电竞电竞app下载地址
截图
版权:如无特殊注明,文章转载自网络,侵权请联系cnmhg168#163.com删除!文件均为网友上传,仅供研究和学习使用,务必24小时内删除。
热门推荐
-
最新《危险化学品目录(2022调整版)》pdf 2022-03-31
-
GB 55023-2022施工脚手架通用规范pdf 2022-03-31
-
安全吹哨人管理制度docx 2022-03-31
-
GB 50251-2015 输气管道工程设计规范pdf 2022-03-31
-
GB 50016-2014(2018年版) 建筑设计防火规范(高清版)pdf 2022-03-31
-
化工(危险化学品)企业五懂五会五能应知应会手册pdf 2022-03-31
-
二十大全文解读(73页PPT)pptx 2022-03-31
-
特级动火作业方案doc 2022-03-31

