浓缩型循环水药剂的试验研究
- 期刊名字:聚氯乙烯
- 文件大小:
- 论文作者:刘建朝,莘仲明
- 作者单位:湖州欧美新材料有限公司
- 更新时间:2020-03-24
- 下载次数:次
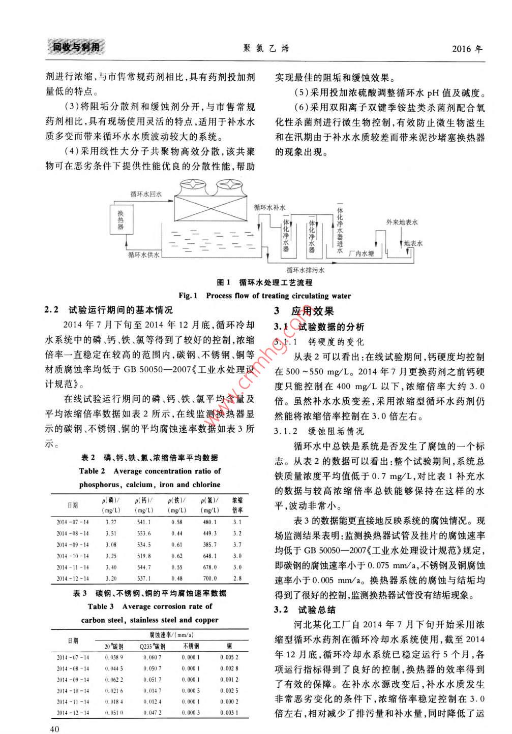
论文简介
论文截图
上一条:循环水腌制咸蛋工艺研究
下一条:优化循环水系统操作节约电能
版权:如无特殊注明,文章转载自网络,侵权请联系cnmhg168#163.com删除!文件均为网友上传,仅供研究和学习使用,务必24小时内删除。
热门推荐
-
C4烯烃制丙烯催化剂 2020-03-24
-
煤基聚乙醇酸技术进展 2020-03-24
-
生物质能的应用工程 2020-03-24
-
我国甲醇工业现状 2020-03-24
-
JB/T 11699-2013 高处作业吊篮安装、拆卸、使用技术规程 2020-03-24
-
雷竞技世界杯手机登录 化工设备腐蚀与防护参考书十本免费下载,绝版珍藏 2020-03-24
-
四喷嘴水煤浆气化炉工业应用情况简介 2020-03-24
-
Lurgi和ICI低压甲醇合成工艺比较 2020-03-24
-
甲醇制芳烃研究进展 2020-03-24
-
精甲醇及MTO级甲醇精馏工艺技术进展 2020-03-24



