首页 > raybet雷电竞电竞app下载地址
下载>SAE AS6092A-2018 Fitting, 37° Spherical Flared, Connector, Multiple Fluid Pressure Line, 75°免费下载
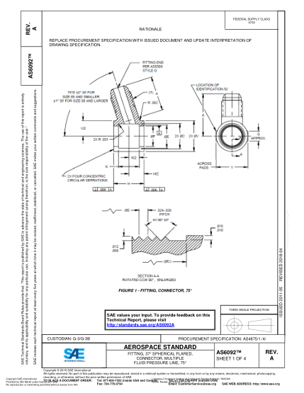
SAE AS6092A-2018 Fitting, 37° Spherical Flared, Connector, Multiple Fluid Pressure Line, 75°
- raybet雷电竞电竞app下载地址 类别:
- raybet雷电竞电竞app下载地址 大小:
- raybet雷电竞电竞app下载地址 编号:SAE AS6092A-2018
- raybet雷电竞电竞app下载地址 状态:现行
- 更新时间:2024-01-30
- 下载次数:次
raybet雷电竞电竞app下载地址
简介
raybet雷电竞电竞app下载地址
截图
下一条:返回列表
版权:如无特殊注明,文章转载自网络,侵权请联系cnmhg168#163.com删除!文件均为网友上传,仅供研究和学习使用,务必24小时内删除。
热门推荐
-
GB 30871-2022免费下载危险化学品企业特殊作业安全规范 2024-01-30
-
GB/T 706-2016热轧型钢 2024-01-30
-
GB/T 1094.1-2013电力变压器 第1部分:总则 2024-01-30
-
JB/T 10216-2013电控配电用电缆桥架 2024-01-30
-
GB/T 13663.2-2018给水用聚乙烯(PE)管道系统 第2部分:管材 2024-01-30
-
GB 9706.1-2020医用电气设备 第1部分:基本安全和基本性能的通用要求 2024-01-30
-
GB/T 10801.2-2018绝热用挤塑聚苯乙烯泡沫塑料(XPS) 2024-01-30
-
YB/T 4001.1-2019钢格栅板及配套件 第1部分:钢格栅板 2024-01-30
-
GB 51251-2017建筑防烟排烟系统技术raybet雷电竞电竞app下载地址 2024-01-30
